機床夾具設計實例教程
1)組合夾具虛擬設計實例
具體應用步驟有:
①以零件實體模型作為設計依據
②按設計需要選用支撐組件、壓緊組件、基礎組件、定位組件、導向組件等元件、組件。
*元件、組件不帶知識庫的可以從標準件、組件樹上直接下載。
*元件、組件帶知識庫的,通過組件設計推理,進行組件、元件的推理和系列尺寸驅動,并下載到工作區,進行裝配。
③組件和元件之間的裝配。對于已經下載的各類元件和組件,使用三維CAD平臺裝配功能進行裝配,并輸出結果,完成整個組合夾具的設計。組合夾具其裝配示例見圖12-22,SolidWrorks平臺下的增強裝配實例見圖12-23.


2)專用夾具設計實例
具體設計步驟
①根據被加工零件的尺寸參數及其形狀,在基礎版庫中選擇可用基礎版或進行基礎版建模;連桿被加工零件見圖12-24,基礎版見圖12-25.


②智能件打孔裝配加快專用夾其設計。將標準件緊固螺釘、定位銷、螺栓、檔銷等制作成具有裝配屬性的智能件,這些智能件具有打孔、裝配一次性完成功能,并可實現多層板的打孔及各層板的間隙設置。定位銷智能件在打孔裝配操作后,還具有陣列、刪除、修改等功能,如若智能件規格不臺適,還可直接進行足寸系列替換,大大提高了專用夾具的工作效率。擋銷智能件見圖12-26,智能件打孔裝配及陣列見圖12-27。


③組件知識庫推理及打孔裝配。建立夾具組件知識庫和智能件,通過采集相關信息,對組件進行知識庫參數化驅動,并實現組件打孔裝配,陣列,提高組件設計效率。壓板組件打孔快速裝配見圖12-28,壓板組件打孔陣列見圖12-29。


3)夾具典型整體結構設計實例
當夾具具有整體結構重用價值時,系統通過建立夾具典型整體結構參數化模型庫、知識庫,實現夾具變結構快速設計,在設計環節中如果遇到一些強度計算問題,在建立知識庫推理時可以將相應的公式計算(含有限元分析計算結果)整理入庫,當再次使用時通過系統進行推理計算以滿足快速設計的需要。以下結合某廠焊接夾具設計為例,簡述典型整體結構設計過程。通過前期對焊接夾具典型結構的實體模型、設計經驗、計算公式、二維工程圖等數據、圖形的總結整理后.已經建立該類零件的焊接夾具典型結構模型庫、數據庫、知識庫。系統通過4次數據采集,4次推理設計完成整個設計。在三維夾具模型驅動完成后,修改二維工程圖的標注變化特征參數和尺寸即可。
本實例設計過程如下:
①被加工零件模型參數的數據采集被加工零件模型參數的數據采集主要解決推理條件的自動數據錄入問題,由于人工錄人數據效率低,容易出錯。通過參數采集直接獲取被加工零件模型參數,存儲在驅動參數表內供推理設計使用。被加工零件模型參數采集獲取后,首先驅動被加工零件模型,再將零件模型作為焊接夾具各部件設計驅動的依據。被加工零件見圖l2-30,零件參數拾取界面見圖12-31。


②驅動法蘭、底板、蓋板零件模型由被加工零件模型的驅動結果作為焊接夾具法蘭、底板、蓋極零件模型驅動條件,在知識庫中自動進行推理驅動,焊接夾具法蘭,底板、蓋板模型驅動后形狀見圖12-32

③筋肋自動計算驅動
焊接夾具的筋肋設計是一項非常繁瑣的設計工作,設計員需要反復計算、畫圖,如果一次計算不合理或因其它原因變化還需反復修改,工作量大。本設計在知識庫中建立了推理規則,將筋肋設計經驗和算法存入知識庫,設計時只需輸入筋肋的分布區域和數量,系統即可自動進行三維實體模型設計和二維工程圖的設計。
④起吊螺栓的結構驅動和強度校核
當夾具筋肋自動計算驅動后,需要進行起吊螺栓的結構設計。系統在知識庫中已建立了起吊螺栓的強度計算公式,在確定了新的筋肋結構后,按照新結構條件進行起吊螺栓的強度計算,并根據起吊螺栓的強度計算結果自動在系統中選擇起吊螺栓的規格,井輸出螺栓模
型.夾具筋肋和起吊螺栓自動計算驕動后的模型見圖12-33。

⑤工程圖輸出
在典型結構變參數三維設計完成后,特征沒有變化的設計,其工程圖自動關聯驅動,標注習慣和模板是一致的,特征發生變化的部分由人工進行調整和標注。
鉆夾具的設計實例
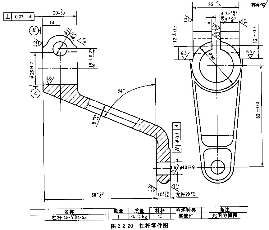
圖2-2-20所示為杠桿類零件圖樣。圖2-2-21所示為本零件工序圖。


1.零件本工序的加工要求分析
①鉆、擴、鉸φ10H9孔及φ11孔。
②φ10H9孔與φ28H7孔的距離為(80±0. 2)mm;平行度為0.3mm。
③φ11孔與φ28H7孔的距離為(15±0. 25)mm。
④φ11孔與端面K距離為14mm。
本工序前已加工的表面如下。
①φ28H7孔及兩端面。
②φ10H9兩端面。
本工序使用機床為Z5125立鉆,刀具為通用標準工具。
2.確定夾具類型
本工序所加工兩孔(φ10H9和φ11),位于互成90°的兩平面內,孔徑不大,工件質量較小、輪廓尺寸以及生產量不是很大,因此采用翻轉式鉆模。
3.擬定定位方案和選擇定位元件
(1)定位方案。根據工件結構特點,其定位方案如下。
①以φ28H7孔及一組合面(端面K和φ10H9一端面組合而成)為定位面,以φ10H9孔端外緣毛坯面一側為防轉定位面,限制六個自由度。這一定位方案,由于尺寸 mm公差大,定位不可靠,會引起較大的定位誤差。如圖2-2-22(a)所示。
②以孔φ28H7孔及端面K定位,以φ11孔外緣毛坯一側為防轉定位面,限制工件六個自由度。為增加剛性,在φ10H9的端面增設一輔助支承,如圖2-2-22 (b)所示。
比較上述兩種定位方案,初步確定選用圖2-2-22(b)所示的方案。

(2)選擇定位元件。
①選擇帶臺階面的定位銷,作為以φ28H7孔及其端面的定位元件,如圖2-2-23所示。定位副配合取 。

②選擇可調支承釘為φ11孔外緣毛坯一側防轉定位面的定位元件,如圖2-2-24(a)所示。也可選擇如圖2-2-24 (b)所示移動V形塊。考慮結構簡單,現選用圖2-2-24(a)所示結構。

(3)定位誤差計算
①加工φ10H9孔時孔距尺寸(80±0.2)mm的定位誤差計算。
由于基準重合,故ΔB=0。
基準位移誤差為定位孔(φ38 mm)與定位銷(φ38 mm)的最大間隙,故ΔY=(0.021+0. 007+0.013)mm=0.041rnm。
由此可知此定位方案能滿足尺寸(80±0.2)mm的定位要求。
②加工φ10H9孔時軸線平行度0.3mm的定位誤差計算。
由于基準重合,故ΔB=0。
基準位移誤差是定位孔φ28H7與定位面K間的垂直度誤差。故ΔY=0. 03mm。
此方案能滿足平行度0. 3mm的定位要求。
③加工φ11孔時孔距尺寸(15±0.25)mm。加工φ11孔時與加工φ10H9孔時相同。
此方案能滿足孔距(15±0.25) mm的定位要求。
4.確定夾緊方案
參考夾具資料,采用M12螺桿在φ28H7孔上端面夾緊工件。
5.確定引導元件(鉆套的類型及結構尺寸)
⑴對φH9孔,為適應鉆、鉸選用快換鉆套。
主要尺寸由《機床夾具零、部件》國家標準GB/T2263-80, GB/T2265-80選取。鉆孔時鉆套內徑φ10 mm、外徑φ15 mm;襯套內徑φ15 mm,襯套外徑φ22 mm。鉆套端面至加工面的距離取8mm。
麻花鉆選用φ9. 8 mm。
(2)對φ11孔,鉆套采用快換鉆套。鉆孔時鉆套內徑φ11 mm、外徑φ18 mm,襯套內徑φ18 mm,外徑φ26 mm;鉆套端面至加工面間的距離取12mm。
麻花鉆選用φ10. 8 mm。
各引導元件至定位元件間的位置尺寸分別為(15±0.03)mm和(18±0. 05)mm,各鉆套軸線對基面的直線度允差為0.02mm。
6.夾具精度分析與計算
由圖2-2-22可知,所設計夾具需保證的加工要求有:尺寸(15±0.25)mm;尺寸(80±0.2)mm;尺寸14mm及φ10H9孔和φ28H7孔軸線間平行度允差0.3mm等四項。除尺寸14mm,因精度要求較低不必進行驗算外,其余三項精度分別驗算如下。
(1)尺寸(80±0.2)mm的精度校核。
定位誤差ΔD,由前已計算,已知Δ=0.041mm。
定位元件對底面的垂直度誤差ΔA=0.03mm。
鉆套與襯套間的最大配合間隙ΔT1=0. 033mm。
襯套孔的距離公差ΔT2=0.1mm。
麻花鉆與鉆套內孔的間隙X2=0.050mm。
襯套軸線對底面(F)的垂直度誤差ΔT3=0. 05mm。
因而該夾具能保證尺寸(80±0. 2)mm的加工要求。
(2)尺寸(15±0. 25)mm的精度校核。
ΔD=0. 041mm,ΔA=0. 03mm,ΔT1=0. 033mm。
襯套孔與定位元件的距離誤差ΔT2=0.06mm。
麻花鉆與鉆套內孔的間隙X=0.061mm。
因而尺寸(15±0.25)mm能夠保證。
(3)φ10H9軸線對φ25H7軸線的平行度0.3mm的精度校核。
ΔD=0. 03mm,ΔA=0. 03mm。
襯套對底面(F)的垂直度誤差ΔT=0. 05mm。
因而此夾具能保證兩孔軸線的平行度要求。
7.繪制夾具總圖
根據已完成的夾具結構草圖,進一步修改結構,完善視圖后,繪制正式夾具總裝圖,如圖2-2-23所示。
8.繪制夾具零件圖樣
從略。
9.編寫設計說明書
從略。
銑床夾具設計實例
圖2-2-25所示為軸套類零件的零件圖樣。現需設計銑兩槽5 mm的銑夾具。
1.零件本工序的加工要求分析
本工序的加工要求,在實體上銑出兩通槽,槽寬為5 mm,槽深為27 mm,兩槽在圓周方向互成60°±30′角度,表面粗糙度為Ra1. 25μm。
本工序之前,外圓φ60 mm、內孔φ32 mm及兩端面均已加工完畢。

本工序采用φ5mm標準鍵槽銑刀在X5l立式銑床上,一次裝夾六件進行加工。
2.確定夾具類型
本工序所加工的是兩條在圓周互成60°角的縱向槽,因此宜采用直線進給帶分度裝置的銑夾具。
3.擬定定位方案和選擇定位元件
(1)定位方案。
①以φ32 mm內孔作為定位基準,再選孔端面為定位基準,限制工件五個自由度。如圖2-2-26(a)所示。

②以φ60 mm外圓為定位基準 (以長V形塊為定位元件),限制4個自由度。如圖2-2-26 (b)所示。
方案②由于V形塊的特性,所以較易保證槽的對稱度要求,但對于實現多件夾緊和分度較困難。
方案①的不足之處是由于心軸與孔之間有間隙、不易保證槽的對稱度,且有過定位現象。但本工序加工要求井不高,而工件孔和兩端面垂直精度又較高,故過定位現象影響不大。
經上述分析比較,確定采用方案①。
(2)選擇定位元件。根據定位方式,采用帶臺肩的心軸。心軸安裝工件部分的直徑為φ32g6( )mm,考慮同時安裝6個工件,所以這部分長度取112mm,由于分度精度不高,為簡化結構,在心軸上做出六方頭,其相對兩面間的距離尺寸取28g6( )mm,與固定在支座上的卡塊槽28H7( )mm相配合;加工完畢一個槽后,松開并取下心軸,轉過相鄰的一面再嵌入卡塊槽內即實現分度。心軸通過兩端φ25H6mm柱部分安裝在支座的V形槽上,并通過M16螺栓鉤形壓板及錐面壓緊,壓緊力的方向與心軸軸線成45°角。

(3)定位誤差計算。工序尺寸27 mm 定位誤差分析如下。
由于基準重合ΔB=0
由于定位孔與心軸為任意邊接觸,則因此定位精度足夠。
由于加工要求不高,其他精度可不必計算。
4.確定夾緊方案
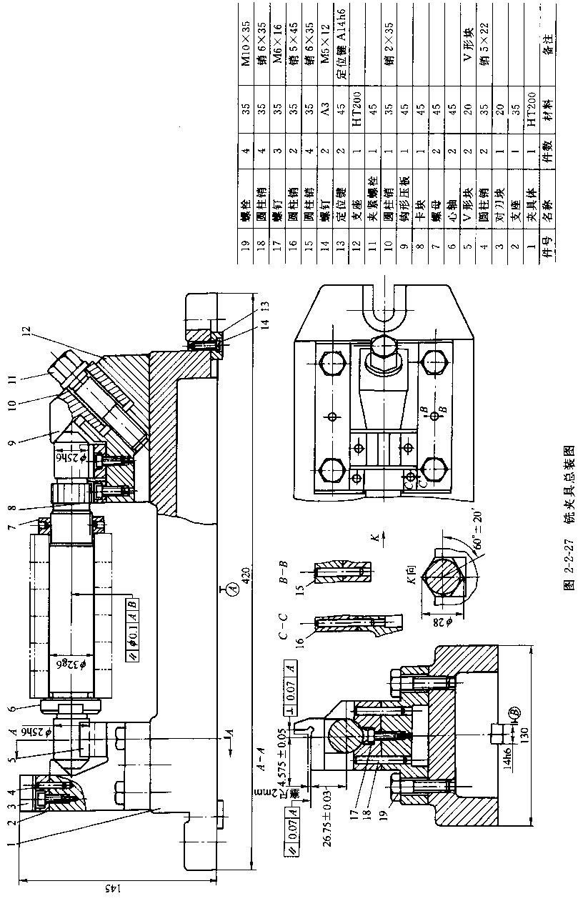
根據圖2-2-26所示心軸結構,用M30螺母把工件軸向夾緊在心軸上。心軸的具體結構如圖2-2-27所示。
5.確定對刀裝置
(1)根據加工要求,采用GB/T2242-80直角對刀塊;塞尺符合GB/T2244-80,基本尺寸及偏差2 mm。
(2)計算對刀尺寸H和B
如圖2-2-28所示,計算時應把尺寸化為雙向對稱偏差,即

6.夾具精度分析和計算
本夾具總圖上與工件加工精度直接有關的技術要求如下。
定位心軸表面尺寸φ32g6。
定位件與對刀間的位置尺寸(24.75±0.08)mm,(4.575±0.05)mm。
定位心軸安裝表面尺寸φ25h6。
對刀塞尺厚度尺寸2 mm。
分度角度60°±10′。
定位心軸軸線與夾具安裝面、定位鍵側平面間的平行度公差為0. lmm。
分度裝置工作表面對定位表面的對稱度公差為0. 07mm。
分度裝置工作表面對夾具安裝面垂直度公差為0.07mm。
對刀裝置工作表面對夾具安裝面的平行度和垂直度公差為0. 07mm。
(1)尺寸27 mm的精度分析。
ΔD=0. 064mm(定位誤差前已計算)。
ΔT=0. 16mm(定位件至對刀塊間的尺寸公差)。
ΔA= ×20mm=0.0086mm(定位心軸軸線與夾具底面平行度公差對工件尺寸的影響)。
故此夾具能保證27 mm尺寸。
(2)對60°±30′的精度分析。
分度裝置的轉角誤差可按下式計算。
故此分度裝置能滿足加工精度要求。
7.繪制夾具總圖
圖2-2-27所示為本夾具的總裝圖樣。
8.繪制夾具零件圖樣
從略。
9.編寫設計說明書
從略。
夾具設計實例信息由思誠資源網提供,有需要請點擊EROWA夾具






















































































































































