ERON雅朗 NABEYA 按鈕襯套型孔式緊固夾具
品牌:ERON(雅朗)
型號:請咨詢客服
掃碼添加微信
精簡治具?工件的定位與裝夾

材 質 SCM440 熱處理 淬火HRC55
特 點
●通過使用6角扳手,旋緊本體側面,即可實現裝夾作業
●拉釘式的拉釘與氣壓,油壓式共用
●回避干涉,適用于一次裝夾5面加工
使用例


型號尺寸表
| 訂單號 | No. | A | B | C H6 | D +0.05 | E | F | G | H | I | J | K | L | M |
| *138069 | QLTD-KN10 | 78 | 50 | 16 | 7.5 | 14 | 9 | 41 | 32.5 | 10 | 44.5 | 25 | 22 | M8x1.25 |
| No. | 扭矩 Nm | 夾緊力 kN | 重量 kg |
| QLTD-KN10 | 17 | 7 | 1.7 |
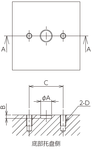
安裝加工尺寸

| No. | A | B | C | D |
| QLTD-KN10 | 16 | 5 | 50 | M8x1.25 |
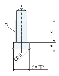
■定位釘

●拉釘式本體定位用

型號尺寸表
| 訂單號 | No. | 適用機型 | Ag6 | B | C | D | 重量g |
| *141108 | PKR16010 | QLTD-KN10 | 16 | 10 | M3x0.5 | 6 | 15 |
■拉釘式QLOCK拉釘側

●與工件組裝

型號尺寸表
| 訂單號 | No. | 適用機型 | A | B | C | D | E | F | G | 重量g |
| *136936 | QLK10RPB | KS10.3,KS10.2 | 22 | M 8×1.25 | 37 | 15 | 3 | 22 | 6 | 60 |
安裝加工尺寸

| No. | A | B | C | D |
| QLK10RPB | 15 | 3.5 | 13 | M 8×P1.25 |
使用例

思誠資源為您提供:ERON-NABEYA雅朗 Q-LOCK 秒速定位系統 手動拉釘式本體的采購報價、ERON(雅朗)QLTD-KN10型號參數、規格圖片、PDF畫冊等資料,如您想了解更多關于ERON(雅朗)正品品牌的其他夾具配件資料與產品貨期庫存、行情價格,就在思誠資源MRO商城。
備注:因廠家會在沒有任何提前通知的情況下更改產品包裝、產地或者一些附件,本公司不能確保客戶收到的貨物與思誠資源網站提供的產品圖片、產地、附件說明等完全一致。若本網站沒有及時更新,敬請諒解!
