日本彌滿和YAMAWA螺旋型先端絲攻(通孔用)
品牌:YAMAWA(彌滿和)
型號:G5DA8300B80014
¥待詢價(提交訂單10分鐘內獲取專屬報價單)
螺旋絲攻 左牙用
樣式特長

被削材和推薦的攻牙速度

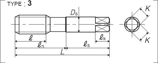
| 全長 | 吃入部+完全螺紋部的長度 | 螺紋部長 | 頸下長 | 柄部長 | 柄徑 | 四角部寬 | 四角部長 |
| L | et | e | en | es | Ds | K | ek |



| 尺寸 | 等級 | 產品編號 | 吃入部 | L (mm) |
e (mm) |
en (mm) |
es (mm) |
Ds (mm) |
K (mm) |
ek (mm) |
溝數 | 構型 | 庫存 |
| 公制螺紋用 | |||||||||||||
| M2×0.4 | P1 | SPP2.0E--L | 2.5P | 42 | 7.2 | 12 | 27 | 3 | 2.5 | 5 | 2 | 1 | △ |
| M2.3×0.4 | P1 | SPP2.3E--L | 2.5P | 42 | 7.2 | 12 | 27 | 3 | 2.5 | 5 | 2 | 1 | △ |
| M2.5×0.45 | P1 | SPP2.5F--L | 2.5P | 46 | 8.1 | 14 | 29 | 3 | 2.5 | 5 | 2 | 1 | △ |
| M2.6×0.45 | P1 | SPP2.6F--L | 2.5P | 46 | 8.1 | 14 | 29 | 3 | 2.5 | 5 | 2 | 1 | △ |
| M3×0.5 | P1 | SPP3.0G--L | 2.5P | 46 | 9 | 14 | 26 | 4 | 3.2 | 6 | 3 | 1 | ○ |
| M4×0.7 | P2 | SPQ4.0I--L | 2.5P | 52 | 11 | 17 | 29 | 5 | 4 | 7 | 3 | 1 | ○ |
| M5×0.8 | P2 | SPQ5.0K--L | 2.5P | 60 | 13 | 22 | 33 | 5.5 | 4.5 | 7 | 3 | 1 | ○ |
| M6×1 | P2 | SPQ6.0M--L | 2.5P | 62 | 15 | 26 | 33 | 6 | 4.5 | 7 | 3 | 1 | ○ |
| M7×1 | P2 | SPQ7.0M--L | 2.5P | 70 | 19 | - | 36 | 6.2 | 5 | 8 | 3 | 2 | △ |
| M8×1.25 | P2 | SPQ8.0N--L | 2.5P | 70 | 19 | - | 36 | 6.2 | 5 | 8 | 3 | 2 | ○ |
| M8×1 | P2 | SPQ8.0M--L | 2.5P | 70 | 19 | - | 36 | 6.2 | 5 | 8 | 3 | 2 | △ |
| M10×1.5 | P2 | SPQ010O--L | 2.5P | 75 | 23 | - | 38 | 7 | 5.5 | 8 | 3 | 2 | ○ |
| M10×1.25 | P2 | SPQ010N--L | 2.5P | 75 | 23 | - | 38 | 7 | 5.5 | 8 | 3 | 2 | ○ |
| M10×1 | P2 | SPQ010M--L | 2.5P | 75 | 23 | - | 38 | 7 | 5.5 | 8 | 3 | 2 | △ |
| M12×1.75 | P2 | SPQ012P--L | 2.5P | 82 | 26 | - | 42 | 8.5 | 6.5 | 9 | 3 | 2 | ○ |
| M12×1.5 | P2 | SPQ012O--L | 2.5P | 82 | 26 | - | 42 | 8.5 | 6.5 | 9 | 3 | 2 | △ |
| M12×1.25 | P2 | SPQ012N--L | 2.5P | 82 | 26 | - | 42 | 8.5 | 6.5 | 9 | 3 | 2 | △ |
| M12×1 | P2 | SPQ012M--L | 2.5P | 82 | 26 | - | 42 | 8.5 | 6.5 | 9 | 3 | 2 | △ |
| M14×2 | P2 | SPQ014Q--L | 2.5P | 88 | 26 | - | 45 | 10.5 | 8 | 11 | 3 | 2 | △ |
| M14×1.5 | P2 | SPQ014O--L | 2.5P | 88 | 26 | - | 45 | 10.5 | 8 | 11 | 3 | 2 | △ |
| M16×2 | P2 | SPQ016Q--L | 2.5P | 95 | 26 | - | 48 | 12.5 | 10 | 13 | 3 | 2 | ○ |
| M16×1.5 | P2 | SPQ016O--L | 2.5P | 95 | 26 | - | 48 | 12.5 | 10 | 13 | 3 | 2 | △ |
| M18×2.5 | P3 | SPR018R--L | 2.5P | 100 | 33 | - | 51 | 14 | 11 | 14 | 4 | 2 | △ |
| M18×1.5 | P2 | SPQ018O--L | 2.5P | 100 | 33 | - | 51 | 14 | 11 | 14 | 4 | 2 | △ |
| M20×2.5 | P3 | SPR020R--L | 2.5P | 105 | 33 | - | 50 | 15 | 12 | 15 | 4 | 3 | ○ |
| M20×1.5 | P3 | SPR020O--L | 2.5P | 105 | 33 | - | 50 | 15 | 12 | 15 | 4 | 3 | △ |
| M22×2.5 | P3 | SPR022R--L | 2.5P | 115 | 33 | - | 55 | 17 | 13 | 16 | 4 | 3 | △ |
| M22×1.5 | P3 | SPR022O--L | 2.5P | 115 | 33 | - | 55 | 17 | 13 | 16 | 4 | 3 | △ |
| M24×3 | P3 | SPR024S--L | 2.5P | 120 | 39 | - | 55 | 19 | 15 | 18 | 4 | 3 | ○ |
| M24×1.5 | P3 | SPR024O--L | 2.5P | 120 | 39 | - | 55 | 19 | 15 | 18 | 4 | 3 | △ |
| M27×3 | P3 | SPR027S--L | 2.5P | 130 | 39 | - | 60 | 20 | 15 | 18 | 4 | 3 | △ |
| M30×3.5 | P4 | SPS030T--L | 2.5P | 135 | 46 | - | 62 | 23 | 17 | 20 | 4 | 3 | △ |
| M30×2 | P3 | SPR030Q--L | 2.5P | 135 | 46 | - | 62 | 23 | 17 | 20 | 4 | 3 | △ |
| M30×1.5 | P3 | SPR030O--L | 2.5P | 135 | 46 | - | 62 | 23 | 17 | 20 | 4 | 3 | △ |
| 美制螺紋用 | |||||||||||||
| 尺寸 | 等級 | 產品編號 | 吃入部 | L (mm) |
e (mm) |
en (mm) |
es (mm) |
Ds (mm) |
K (mm) |
ek (mm) |
溝數 | 構型 | 庫存 |
| 1/4-20UNC | P2 | SPQU04N--L | 2.5P | 62 | 15 | 26 | 33 | 6 | 4.5 | 7 | 3 | 1 | △ |
| 1/4-28UNF | P2 | SPQU04K--L | 2.5P | 62 | 15 | 26 | 33 | 6 | 4.5 | 7 | 3 | 1 | △ |
| 5/16-18UNC | P2 | SPQU05O--L | 2.5P | 70 | 19 | - | 36 | 6.2 | 5 | 8 | 3 | 2 | △ |
| 5/16-24UNF | P2 | SPQU05M--L | 2.5P | 70 | 19 | - | 36 | 6.2 | 5 | 8 | 3 | 2 | △ |
| 3/8-16UNC | P2 | SPQU06P--L | 2.5P | 75 | 23 | - | 38 | 7 | 5.5 | 8 | 3 | 2 | △ |
| 3/8-24UNF | P2 | SPQU06M--L | 2.5P | 75 | 23 | - | 38 | 7 | 5.5 | 8 | 3 | 2 | △ |
| 7/16-14UNC | P3 | SPRU07Q--L | 2.5P | 82 | 26 | - | 42 | 8.5 | 6.5 | 9 | 3 | 2 | △ |
| 7/16-20UNF | P2 | SPQU07N--L | 2.5P | 82 | 26 | - | 42 | 8.5 | 6.5 | 9 | 3 | 2 | △ |
| 1/2-13UNC | P3 | SPRU08R--L | 2.5P | 88 | 26 | - | 45 | 10.5 | 8 | 11 | 3 | 2 | △ |
| 1/2-20UNF | P2 | SPQU08N--L | 2.5P | 88 | 26 | - | 45 | 10.5 | 8 | 11 | 3 | 2 | △ |
| 英制螺紋用 | |||||||||||||
| 尺寸 | 等級 | 產品編號 | 吃入部 | L (mm) |
e (mm) |
en (mm) |
es (mm) |
Ds (mm) |
K (mm) |
ek (mm) |
溝數 | 構型 | 庫存 |
| 1/4W20 | P2 | SPQW04N--L | 2.5P | 62 | 15 | 26 | 33 | 6 | 4.5 | 7 | 3 | 1 | △ |
| 5/16W18 | P2 | SPQW05O--L | 2.5P | 70 | 19 | - | 36 | 6.2 | 5 | 8 | 3 | 2 | △ |
| 3/8W16 | P2 | SPQW06P--L | 2.5P | 75 | 23 | - | 38 | 7 | 5.5 | 8 | 3 | 2 | △ |
| 7/16W14 | P3 | SPRW07Q--L | 2.5P | 82 | 26 | - | 42 | 8.5 | 6.5 | 9 | 3 | 2 | △ |
| 1/2W12 | P3 | SPRW08S--L | 2.5P | 88 | 26 | - | 45 | 10.5 | 8 | 11 | 3 | 2 | △ |
| 5/8W11 | P3 | SPRW10U--L | 2.5P | 95 | 26 | - | 48 | 12.5 | 10 | 13 | 3 | 2 | △ |
| 3/4W10 | P3 | SPRW12V--L | 2.5P | 105 | 33 | - | 50 | 15 | 12 | 15 | 4 | 3 | △ |
思誠資源為您提供:日本彌滿和YAMAWA螺旋絲攻(盲孔用) SP LH螺旋絲攻 左牙用的采購報價、YAMAWA(彌滿和)G5DA03FEFAED2C型號參數、規格圖片、PDF畫冊等資料,如您想了解更多關于YAMAWA(彌滿和)正品品牌的其他絲攻資料與產品貨期庫存、行情價格,就在思誠資源MRO商城。
備注:因廠家會在沒有任何提前通知的情況下更改產品包裝、產地或者一些附件,本公司不能確保客戶收到的貨物與思誠資源網站提供的產品圖片、產地、附件說明等完全一致。若本網站沒有及時更新,敬請諒解!
