日本彌滿和YAMAWA螺旋絲攻(盲孔用) AU+SP
品牌:YAMAWA(彌滿和)
型號:G5DA137CE5BF9D
¥待詢價(提交訂單10分鐘內獲取專屬報價單)
LS-SU-S-PO
長柄不銹鋼深孔加工用先端絲攻
樣式特長

被削材和推薦的攻牙速度

■適合加工易產生加工硬化、材質較黏的不銹鋼、鉻鋼、鉬鋼用的通孔用長柄先端絲攻,也可加工深孔的螺紋。



品區:1E
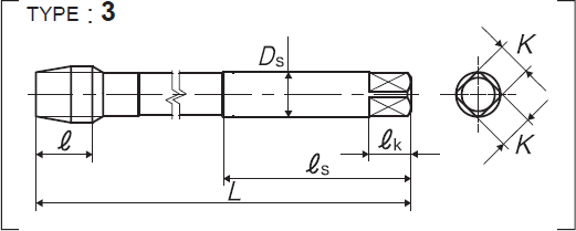
| 全長 | 螺紋部長 | 頸下長 | 柄部長 | 柄徑 | 四角部寬 | 四角部長 |
| L | e | en | es | Ds | k | ek |
| 尺寸 | 等級 | 產品編號 | 吃入部 | L (mm) |
e (mm) |
en (mm) |
es (mm) |
Ds (mm) |
K (mm) |
ek (mm) |
溝數 | 構型 | 庫存 | 在庫 |
| 公制螺紋專用 | ||||||||||||||
| M3×0.5 | P2 | - | 4.5P | 100 | 5 | 9 | 14 | 40 | 4 | 3.2 | 6 | 3 | 1 | △ |
| M4×0.7 | P2 | - | 4.5P | 100 | 7 | 11 | 17 | 40 | 5 | 4 | 7 | 3 | 1 | △ |
| 150 | ||||||||||||||
| M5×0.8 | P2 | - | 4.5P | 100 | 9 | 13 | 22 | 40 | 5.5 | 4.5 | 7 | 3 | 1 | △ |
| 150 | ||||||||||||||
| M6×1 | P2 | - | 4.5P | 100 | 11 | 15 | 26 | 40 | 6 | 4.5 | 7 | 3 | 1 | △ |
| 150 | ||||||||||||||
| M8×1.25 | P3 | - | 5P | 100 | - | 12 | - | 50 | 6.2 | 5 | 8 | 3 | 2 | △ |
| 150 | ||||||||||||||
| M10×1.5 | P3 | - | 5P | 100 | - | 13 | - | 50 | 7 | 5.5 | 8 | 3 | 2 | △ |
| 150 | ||||||||||||||
| M12×1.75 | P4 | - | 5P | 150 | - | 15 | - | 50 | 8.5 | 6.5 | 9 | 3 | 2 | △ |
| M16×2 | P4 | - | 5P | 150 | - | 18 | - | 60 | 12.5 | 10 | 13 | 3 | 2 | △ |
| M20×2.5 | P4 | - | 5P | 150 | - | 20 | - | 70 | 15 | 12 | 15 | 3 | 3 | △ |
思誠資源為您提供:日本彌滿和YAMAWA先端絲攻系列(通孔用)LS-SU-S-PO長柄不銹鋼深孔加工用先端絲攻的采購報價、YAMAWA(彌滿和)G5DAEA7CDD08DC型號參數、規格圖片、PDF畫冊等資料,如您想了解更多關于YAMAWA(彌滿和)正品品牌的其他絲攻資料與產品貨期庫存、行情價格,就在思誠資源MRO商城。
備注:因廠家會在沒有任何提前通知的情況下更改產品包裝、產地或者一些附件,本公司不能確保客戶收到的貨物與思誠資源網站提供的產品圖片、產地、附件說明等完全一致。若本網站沒有及時更新,敬請諒解!
