ERON-NABEYA雅朗五軸機床專用精密平口鉗LT5
品牌:ERON(雅朗)
型號:LT5AU-75FM
掃碼添加微信
| 型號、貨號 | 適用平口鉗 | 重量(kg) | 價格 | 起訂(單位:個) | 操作 |
|---|---|---|---|---|---|
| LT5AU-75SJG-8 | LT5AU-75(F,FM) | 0.3 | 加購詢價 |
-
+
|
加入購物車 |
| LT5AU-100SJG-8 | LT5AU-100(M),100F(M) | 0.85 | 加購詢價 |
-
+
|
加入購物車 |
| LT5AU-75SJ-20 | LT5AU-75(F,FM) | 1.3 | 加購詢價 |
-
+
|
加入購物車 |
| LT5AU-100SJ-20 | LT5AU-100(M),100F(M) | 1.5 | 加購詢價 |
-
+
|
加入購物車 |
| LT5AU-75SJ-30 | LT5AU-75 | 0.9 | 加購詢價 |
-
+
|
加入購物車 |
| LT5AU-100SJ-30 | LT5AU-100(M) | 1.7 | 加購詢價 |
-
+
|
加入購物車 |
| LT5AU-75SJ-30 | LT5AU-75 | 0.9 | 加購詢價 |
-
+
|
加入購物車 |
| LT5AU-100SJ-30 | LT5AU-100(M) | 1.7 | 加購詢價 |
-
+
|
加入購物車 |
LOCK-TIGHT五軸機床專用精密鉗口配件。
特點
●可對應多種工件
可選擇4個鉗口的安裝位置,因此可對應多種工件。
●LOCK-TIGHT(鎖緊式)防上浮機構
通過止動半球,可在活動鉗身上作用向下傾斜45度的力,從
而防止工件上浮。
●可交換式鉗口
標配三種鉗口,可選用適合加工條件的鉗口。
●可始終在平口鉗中心位置夾緊工件,節省編程工時。
臺階型鉗口(格柵型)
![]() | ![]() |
規格
訂單號 | 型號 | 適用平口鉗 | A | B | C | D | E | F | G |
93019 | LT5AU-75SJG-8 | LT5AU-75(F,FM) | 26 | 45 | 23 | 24 | 16 | 8 | 10 |
88807 | LT5AU-100SJG-8 | LT5AU-100(M),100F(M) | 26 | 45 | 23 | 24 | 16 | 8 | 10 |
型號 | H | I | J | K | L | M | 數量 | 重量kg |
LT5AU-75SJG-8 | 5 | 5 | 14 | 9 | 8.5 | 17 | 2片1組 | 0.3 |
LT5AU-100SJG-8 | 5 | 5 | 14 | 9 | 8.5 | 17 | 6片1組 | 0.85 |
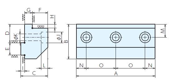
臺階型鉗口(深20)
![]() | ![]() |
規格
訂單號 | 型號 | 適用平口鉗 | A | B | c | D | E | F | G | H |
93020 | LT5AU-75SJ-20 | LT5AU-75(F,FM) | 75 | 45 | 35 | 24 | 16 | 20 | 10 | 5 |
88808 | LT5AU-100SJ-20 | LT5AU-100(M),100F(M) | 102 | 45 | 35 | 24 | 16 | 20 | 10 | 5 |
型號 | I | J | K | L | M | N | O | 重量kg |
LT5AU-75SJ-20 | 5 | 14 | 9 | 8.5 | 17 | 13 | 49 | 1.3 |
LT5AU-100SJ-20 | 5 | 14 | 9 | 8.5 | 17 | 13 | 38 | 1.5 |
臺階型鉗口(深30)
![]() | ![]() |
規格
訂單號 | 型號 | 適用平口鉗 | A | B | C | D | E | F | G |
93021 | LT5AU-75SJ-30 | LT5AU-75 | 75 | 34 | 40 | 6 | 16 | 8 | 22 |
88809 | LT5AU-100SJ-30 | LT5AU-100(M) | 102 | 34 | 40 | 6 | 16 | 8 | 22 |
型號 | H | I | J | K | L | M | 重量kg |
LT5AU-75SJ-30 | 14 | 9 | 8.5 | 18 | 21.5 | 32 | 0.9 |
LT5AU-100SJ-30 | 14 | 9 | 8.5 | 18 | 26 | 50 | 1.7 |
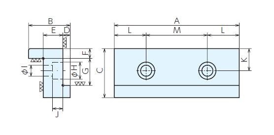
標準鉗口
![]() | ![]() |
規格
訂單號 | 型號 | 適用平口鉗 | A | B | C | D | E | F | G |
93021 | LT5AU-75SJ-30 | LT5AU-75 | 75 | 34 | 40 | 6 | 16 | 8 | 22 |
88809 | LT5AU-100SJ-30 | LT5AU-100(M) | 102 | 34 | 40 | 6 | 16 | 8 | 22 |
型號 | H | I | J | K | L | M | 重量kg |
LT5AU-75SJ-30 | 14 | 9 | 8.5 | 18 | 21.5 | 32 | 0.9 |
LT5AU-100SJ-30 | 14 | 9 | 8.5 | 18 | 26 | 50 | 1.7 |
使用例

思誠資源為您提供:ERON-NABEYA雅朗 五軸機床專用LT5AU鉗口配件的采購報價、ERON(雅朗)LT5AU型號參數、規格圖片、PDF畫冊等資料,如您想了解更多關于ERON(雅朗)正品品牌的其他五軸平口鉗資料與產品貨期庫存、行情價格,就在思誠資源MRO商城。
備注:因廠家會在沒有任何提前通知的情況下更改產品包裝、產地或者一些附件,本公司不能確保客戶收到的貨物與思誠資源網站提供的產品圖片、產地、附件說明等完全一致。若本網站沒有及時更新,敬請諒解!
