ERON-NABEYA雅朗 5AU75系緊湊五軸加工平口
品牌:ERON(雅朗)
型號:5AU75
掃碼添加微信
| 型號、貨號 | 適用平口鉗 | 重量(KG) | 價格 | 起訂(單位:個) | 操作 |
|---|---|---|---|---|---|
| LT5AU-PST | LT5AU—所有機型 | 0.3 | 加購詢價 |
-
+
|
加入購物車 |
| LT5AU100-HB125 | LT5AU-100(F) | 21.8 | 加購詢價 |
-
+
|
加入購物車 |
| LT5AU100-HB125K | LT5AU-100(F) | 21.5 | 加購詢價 |
-
+
|
加入購物車 |
| LT5AU-100WST | LT5AU-所有機型 | 0.4 | 加購詢價 |
-
+
|
加入購物車 |
LOCK-TIGHT五軸機床專用精密平口鉗配件。
●可對應多種工件
可選擇4個鉗口的安裝位置,因此可對應多種工件。
●LOCK-TIGHT(鎖緊式)防上浮機構
通過止動半球,可在活動鉗身上作用向下傾斜45度的力,從而防止工件上浮。
●可交換式鉗口
標配三種鉗口,可選用適合加工條件的鉗口。
●可始終在平口鉗中心位置夾緊工件,節省編程
平行限位器
![]() | 套裝內容 平行限位器...4個 內六角螺栓M8×20...4個 內六角固定螺釘(圓柱端)M8×25...4個 ![]() |
規格
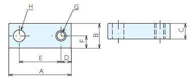
訂單號 | 型號 | 適用平口鉗 | A | B | C | D | E | F | G(粗牙) | H | 重量KG |
88812 | LT5AU-PST | LT5AU—所有機型 | 48 | 19 | 12 | 8 | 32 | 9.5 | M8x1.25 | 9 | 0.3 |
墊高塊
![]() | 套裝內容 墊高塊...1個 內六角螺栓M12×35...4個 內六角螺栓M10×15...6個 側蓋...2個 僅限LT5AU100-HB125K 導位塊LTGB18-18(2個1組)...1組 ![]() |
規格
訂單號 | 型號 | 適用平口鉗 | 鍵槽 | 重量Kg |
88813 | LT5AU100-HB125 | LT5AU-100(F) | 無 | 21.8 |
88814 | LT5AU100-HB125K | LT5AU-100(F) | 有 | 21.5 |
工件限位器
![]() | 套裝內容 接頭...1個 壓板G(直式)7110G-08...1個 平墊圈 WF8...1個 內六角螺栓M8×25...1個 內六角固定螺釘(圓柱端)M8×50...1個 六角螺母 M8...1個 ![]() |
規格
訂單號 | 型號 | 適用平口鉗 | A | B | C | D | E | F | G | H | I | J | 重量KG |
88811 | LT5AU-100WST | LT5AU-所有機型 | 80 | 25 | 12 | 50 | 25 | 17 | 13 | 50 | 8.5 | 50 | 0.4 |
使用例

思誠資源為您提供:ERON-NABEYA雅朗 五軸機床專用精密平口鉗LT5AU配件的采購報價、ERON(雅朗)LT5AU型號參數、規格圖片、PDF畫冊等資料,如您想了解更多關于ERON(雅朗)正品品牌的其他五軸平口鉗資料與產品貨期庫存、行情價格,就在思誠資源MRO商城。
備注:因廠家會在沒有任何提前通知的情況下更改產品包裝、產地或者一些附件,本公司不能確保客戶收到的貨物與思誠資源網站提供的產品圖片、產地、附件說明等完全一致。若本網站沒有及時更新,敬請諒解!
